Full 40-Foot Container Single Phase Transformers Delivery to the Philippines
Today, we successfully loaded and shipped a full 40ft High Cube Container of Single-Phase Pole Mounted Transformers destined for the Philippines.
Product Overview
When a leading electrical distributor in the Philippines—a company with over 30 years of experience in transformer wholesale and retail—needed to restock their inventory to meet urgent local grid demands, they turned to their trusted partner: Tengyi.
Building on a history of successful cooperation, the client required a Full Container Load of customized, high-performance pole-mounted transformers delivered with precision and strict adherence to international standards.



Tengyi Solution
Tengyi leveraged its manufacturing expertise to deliver a turnkey solution tailored to the client’s precise specifications.
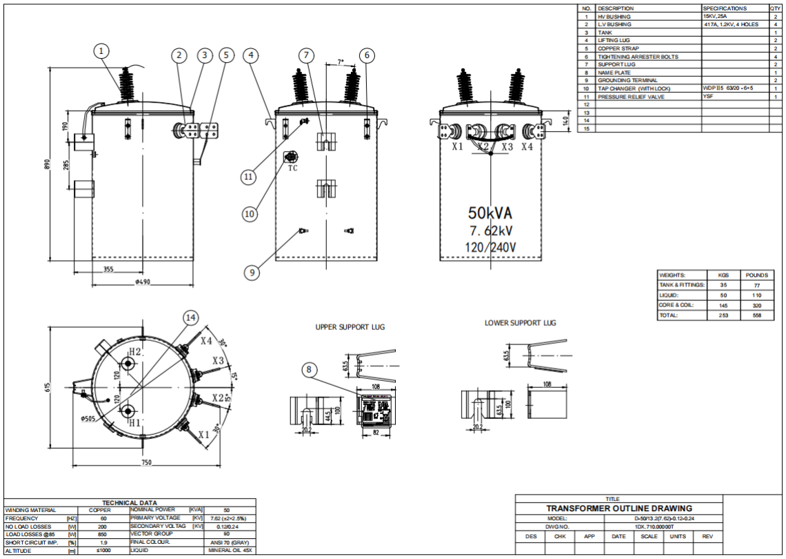
1. Precision Engineering
We manufactured 38 units of 50kVA Single-Phase Pole-Mounted Transformers (Model D-50/13.2). Key technical features included:
- Voltage Ratio: High Voltage 13200Y/7620V to Low Voltage 120/240V.
- Winding Material: High-grade Copper (CU/CU) for superior conductivity and durability.
- Cooling: ONAN (Oil Natural Air Natural) type with mineral oil, designed for a 65°C temperature rise.
- Safety: Equipped with pressure relief valves and high-voltage bushings tailored for safe pole installation.


2. Quality Assurance
Before shipment, every unit underwent rigorous testing at our facility, including impedance (at 85°C), load loss, and no-load loss verification, ensuring every transformer met the efficiency standards required by the client.
Behind the Scenes: Production & Craftsmanship
As shown in our production footage, every unit in this order underwent a meticulous manufacturing process. From the precise winding of the coils to the assembly of the core and final tanking, our team ensured that every detail met the specific voltage and efficiency requirements of the Philippine grid.
Rigorous Testing: The Standard for Excellence
Before any unit leaves our factory, it must prove its worth. For this Philippine order, we conducted 100% routine testing on every single transformer.
As captured in our testing lab:
- Digital Accuracy: We utilized advanced power analyzers to verify Ratio, Polarity, and Phase angle.
- Performance Verification: Load losses and No-load losses were strictly measured to ensure energy efficiency.
- Safety Assurance: High-voltage withstand tests were performed to guarantee operational safety in the field.
Only after passing these stringent tests were the units approved for packaging.
Secure Logistics
To ensure the transformers arrive in Manila in pristine condition, we utilized reinforced wooden crating systems optimized for container loading. As seen in the shipping photos, the units are stacked securely within the 40HQ container, maximizing space while ensuring stability during ocean transit.
Global Trust, Local Commitment
Whether we are hosting new partners for factory tours or shipping full containers to industry veterans in the Philippines, Tengyi remains committed to powering the world with superior electrical solutions.

Contact Our Experts to Get the Best Factory Price
Our transformer solutions are engineered to match your specific grid frequency and voltage standards. Partnering with Tengyi provides you with solutions include superior copper winding durability, strict IEEE compliance, and significantly reduced landed costs through smart container loading.
